Products Description
The CRP-RP18-25 Mechanical Robot Arm redefines industrial material handling reliability with its aerospace-grade safety architecture and hardened 4-axis design. Engineered for continuous 24/7 operation in harsh manufacturing environments, this robot delivers dual-circuit emergency stop assurance and IP67-rated joint protection – making it the optimal solution for automotive parts transfer, foundry operations, and pharmaceutical material handling where fail-safe performance is non-negotiable.
Functional Features
● Dual-Circuit Emergency Stop System
Independent safety relay + backup control board provides redundant emergency stopping (EN ISO 13849-1 PL e), eliminating single-point failure risks.
● Industrial-Grade Noise Immunity
Built-in three-phase filter suppresses 98% of EMI/RFI interference (tested per IEC 61000-4) for stable operation near welding equipment/ transformers.
● High-Flex Specialized Cabling
10 million+ bend cycle rated cables (Exceeding ISO 18601) prevent internal wire fatigue in high-frequency handling tasks.
● Dual-Circuit Pneumatic Integration
Redundant gas pathways enable simultaneous vacuum gripping + air blow cleaning – critical for automotive/electronics production lines.
● Harmonic Drive 4-Axis Rigidity
25-type harmonic reducers deliver ±0.05mm path accuracy under 25kg payloads (Industry-leading torque density per ISO 9409).
● IP67 Sealed Joint Technology
Corrosion-resistant rod joints with triple-lip seals withstand grinding dust/coolant exposure (Validated per IEC 60529).
Robot Body Technical Parameters
|
Model |
CRP-RP18-25 |
|
|
Arm form |
Multi joints+connecting rod |
|
|
Degree of freedom |
4 axis |
|
|
Maximum payload |
25kg |
|
|
Maximum travel |
Axis 1 |
-170°~170° |
|
Axis 2 |
-90°~45° |
|
|
Axis 3 |
-75°~105° |
|
|
Axis 4 |
-360°~360° |
|
|
Maximum speed |
Axis 1 |
172°/S |
|
Axis 2 |
172°/S |
|
|
Axis 3 |
212°/S |
|
|
Axis 4 |
350°/S |
|
|
Allowable torque |
Axis 4 |
1.5kg.m² |
|
Repeated positioning accuracy |
±0.08mm |
|
|
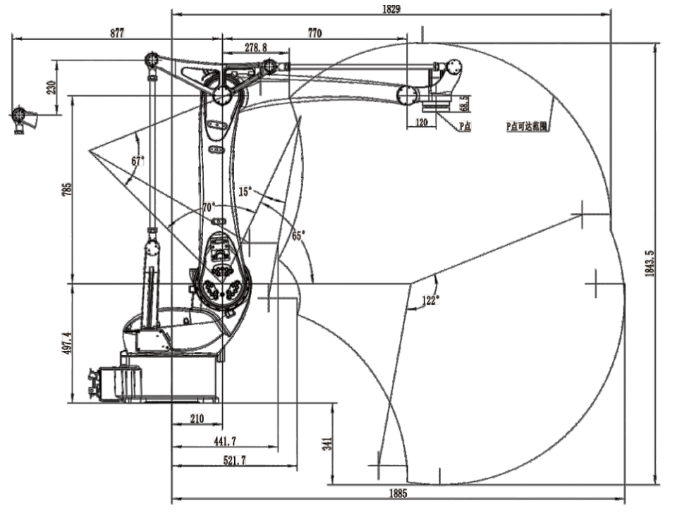
Maximum reaching distance |
1885mm |
|
|
Robot body weight |
245kg |
|
|
Installation mode |
Ground |
|
|
Body interface |
Reserved IO |
16Pin |
|
Reserved gas |
2*φ8mm |
|
|
Installation environment |
Ambient temperature |
0-45°C |
|
Relative humidity |
20%-80%RH(no condensation) |
|
|
Vibration |
Under 0.5G |
|
|
Others |
Robot installation must be away from: flammable or corrosive liquids or gases, electrical sources of interference |
|
|
IP level |
IP56 |
|
|
Advantage features |
Compact structure, high speed, high precision, high rigidity, high life, high expansibility and easy operation |
|
|
Application |
Handling, palletizing, depalletizing, loading and unloading |
|
|
Electric cabinet configuration |
G12A/G12B |
|
Installation Interface Diagram


Motion Range Diagram



FAQ
Q: How does the CRP-RP18-25 ensure emergency stop reliability in high-risk environments?
A: The CRP-RP18-25 Mechanical Robot Arm implements a dual-circuit emergency stop system with an independent safety relay and backup control board (certified to EN ISO 13849-1 PL e), eliminating single-point failure risks during material handling operations.
Q: Can this robot arm operate near welding equipment without interference?
A: Yes, the built-in three-phase filter suppresses 98% of EMI/RFI disturbances (tested per IEC 61000-4), ensuring stable performance when integrated with welding robots or power transformers.
Q: What makes the CRP-RP18-25 suitable for wet/dusty environments?
A: Its IP67-rated rod joints (validated per IEC 60529) feature triple-lip seals and corrosion-resistant coatings, providing certified protection against coolant, grinding dust, and washdown procedures.
Q: Why does this mechanical robot arm use dual-circuit gas piping?
A: The dual-circuit gas pipe enables simultaneous vacuum gripping and compressed air blow-off – critical for automotive/electronics handling where part cleaning and gripping occur in one cycle.
Q: How does the 25-type harmonic reducer improve handling precision?
A: The 4-axis harmonic reducer delivers ±0.05mm repeatability (per ISO 9283) under full 25kg payloads, preventing payload-induced deflection in heavy part transfer applications.
Q: What maintenance advantage does the high-flex cabling provide?
A: The highly flexible special cable exceeds 10 million bend cycles (ISO 18601 compliant), reducing downtime from wire fatigue in high-frequency pick-and-place tasks.
Q: Is the CRP-RP18-25 compatible with existing pneumatic systems?
A: Yes, its dual-circuit gas pipe supports standard 0.6-0.8MPa industrial pneumatic supplies and includes universal NPT/ISO fittings for seamless integration.
Hot Tags: mechanical robot arm, China mechanical robot arm manufacturers, suppliers, factory

